
|
Ref |
Part No. |
Qty |
Description |
|
Notes |
|
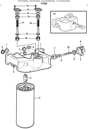
1 |
1543466 |
1 |
Oil filter housing |
|
REPL BY 3826373 |
|
1A |
3826373 |
|
Oil filter housing |
|
|
|
2 |
946671 |
3 |
Flange screw |
|
L=30mm |
|
|
946470 |
1 |
Flange screw, oil pipe-turbo |
|
L=35mm |
|
3 |
8192187 |
2 |
Sealing ring |
|
|
|
4 |
8192189 |
3 |
Sealing ring |
|
|
|
5 |
1543276 |
2 |
Nipple |
|
|
|
6 |
478736 |
2 |
Oil filter |
|
|
|
7 |
1543608 |
1 |
Cover |
|
|
|
8 |
946671 |
2 |
Flange screw |
|
|
|
9 |
1543577 |
1 |
Sealing ring |
|
|
|
10 |
1543611 |
1 |
Spring |
|
REDUCTION OIL PRESSURE |
|
11 |
1543610 |
1 |
Peg |
|
|
|
12 |
1543964 |
1 |
Valve seat |
|
|
|
13 |
1542267 |
2 |
Cover |
|
|
|
14 |
945414 |
4 |
Screw |
|
|
|
15 |
1543577 |
2 |
Sealing ring |
|
|
|
16 |
1542266 |
2 |
Sleeve |
|
|
|
17 |
466653 |
1 |
Spring |
|
PISTON COOLING |
|
18 |
466653 |
1 |
Spring |
|
OVERFLOW |
|
19 |
471085 |
2 |
Valve |
|
|
|
20 |
1542265 |
2 |
Seat |
|
|
參考零件號數量說明注釋
1 1543466 1機油濾清器殼REPL BY 3826373
1A 3826373機油濾清器殼體
2 946671 3法蘭螺釘L=30mm
946470 1法蘭螺釘,油管渦輪L=35mm
3 8192187 2密封圈
4 8192189 3密封圈
5 1543276 2螺紋接頭
6 478736 2機油濾清器
7 1543608 1封面
8 946671 2法蘭螺釘
9 1543577 1密封圈
10 1543611彈簧減壓油壓
11 1543610 1樁
12 1543964 1閥座
13 1542267 2封面
14 945414 4螺釘
15 1543577 2密封圈
16 1542266 2套筒
17 466653 1彈簧活塞冷卻
18 466653 1彈簧溢流
19 471085 2閥門
20 1542265 2座