
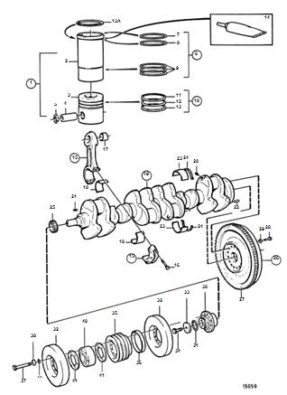
參考零件號數量說明
1 6缸套套件SN-2160022233。由轉換套件3826321替代。。已標記重建的發動機
3826321 1轉換套件重建的發動機在序列號后標有兩個沖壓標記。。kit公司
公告47-05新活塞和活塞環
2 6缸套
3 6活塞
4 1556940 6活塞銷(1556200)L=120mm。重建的發動機在ser后標記有兩個沖壓標記
5 914532 12卡環
6 270935 6密封圈套件
7 1543507 6密封圈
8 6密封圈
9 18密封圈
10 3826935 6活塞環套件SN-2160022233。重建的發動機在序列號n之后標記有兩個沖壓標記
11.6壓縮環
12 6壓縮環
13 6刮油環
13A 1548125 X墊片TH=0.20mm
1548126 X墊片TH=0,30mm
1548127 X墊片TH=0,50mm
14 1161277 X密封膠20g
襯套SN-2160022233。重建的發動機在序列號n之后標記有兩個沖壓標記
SN-2160022233。重建的發動機在序列號n之后標記有兩個沖壓標記
18 270796 6 6大端軸承套件STD D
270797 6大端軸承套件美國=0,25mm
270798 6大端軸承套件美國=0.50mm
270799 6大端軸承套件美國=0,75mm
19 863792 1曲軸
20 978130 6插頭
21 422253 1伍德拉夫鍵
22 950645 1針
23 270792 7主軸承套件STD D
270793 7主軸承套件美國=0,25mm
270794 7主軸承套件美國=0.50mm
270795 7主軸承套件美國=0,75mm
24 270929 1止推墊圈套件STD D
270930 1止推墊圈套件O.S=0,10mm
270931 1止推墊圈套件O.S=0.20mm
270932 1止推墊圈套件O.S=0,30mm
25 1543444 1檔
26 3825678 1飛輪SN-2160048210
889617 1飛輪SN2160048211-
27 8193939 1齒圈
28 849912 14螺釘
1677893 14螺釘
29 1543563 14墊圈
30 848851 1輪轂
31 945512 1個O形圈
32 1543834 2減振器
33 422124 1個墊圈
34 862504 1個螺釘
35 3825893 1個V形皮帶輪3槽。早期生產的6個螺釘替換為12個螺釘。
39 3829683
973253
4956010
955974 1耐磨環
12個螺釘早期生產的6個螺釘被12個螺釘取代。
12墊圈早期生產的6個螺釘被12個螺釘取代。
早期生產的6個12 O形圈螺釘被12個螺釘所取代。
40 1輪轂更換為1個ea 3825885輪轂、1個ea 3825893皮帶輪、2個ea 3825886墊片、6個ea 973
3825885 1輪轂
41 3825886 2墊圈早期生產的6個螺釘替換為12個螺釘。

|
Ref |
Part No. |
Qty |
Description |
|
Notes |
|
1 |
3826320 |
6 |
Cylinder liner kit |
SN2160022234-. Included in conversion kit 3826321.. Rebuilt engines are marked wi |
|
|
|
|
|
Bulletin 47-05 |
New Piston & Piston Rings |
|
|
1 |
3830285 |
6 |
Cylinder liner kit |
Included in conversion kit 3826321.. Rebuilt engines are marked with two punch mar |
|
|
2 |
|
6 |
Cylinder liner |
|
|
|
3 |
|
6 |
Piston |
|
|
|
4 |
1556939 |
6 |
Piston pin |
(1556401) L=115mm. Included in conversion kit 3826321.. Rebuilt engines are marke |
|
|
5 |
914532 |
12 |
Snap ring |
|
|
|
6 |
270935 |
6 |
Sealing ring kit |
|
|
|
7 |
1543507 |
6 |
Sealing ring |
||
|
8 |
|
6 |
Sealing ring |
||
|
9 |
|
18 |
Sealing ring |
||
|
10 |
3837146 |
6 |
Piston ring kit (876831). Included in conversion kit 3826321.. Rebuilt engines are marked with two p |
||
|
11 |
|
6 |
Compression ring |
||
|
12 |
|
6 |
Compression ring |
||
|
13 |
|
6 |
Oil scraper ring |
||
|
13A |
1548125 |
X |
Shim |
TH=0,20mm |
|
|
|
1548126 |
X |
Shim |
TH = 0,30mm |
|
|
|
1548127 |
X |
Shim |
TH = 0,50mm |
|
|
14 |
1161277 |
X |
Sealant |
20g |
|
|
15 |
1556319 |
6 |
Connecting rod |
SN2160022234-. Included in conversion kit 3826321.. Rebuilt engines are marked wi |
|
|
16 |
1543035 |
12 |
Screw |
|
|
|
17 |
1556321 |
6 |
Bushing |
FOR 1556319 |
|
|
18 |
270796 |
6 |
Big end bearing kit |
STD D |
|
|
|
270797 |
6 |
Big end bearing kit |
U.S=0,25mm |
|
|
|
270798 |
6 |
Big end bearing kit |
U.S=0,50mm |
|
|
|
270799 |
6 |
Big end bearing kit |
U.S=0,75mm |
|
|
19 |
863792 |
1 |
Crankshaft |
|
|
|
20 |
978130 |
6 |
Plug |
|
|
|
21 |
422253 |
1 |
Woodruff key |
|
|
|
22 |
950645 |
1 |
Pin |
|
|
|
23 |
270792 |
7 |
Main bearing kit |
STD D |
|
|
|
270793 |
7 |
Main bearing kit |
U.S=0,25mm |
|
|
|
270794 |
7 |
Main bearing kit |
U.S=0,50mm |
|
|
|
270795 |
7 |
Main bearing kit |
U.S=0,75mm |
|
|
24 |
270929 |
1 |
Thrust washer kit |
STD D |
|
|
|
270930 |
1 |
Thrust washer kit |
O.S=0,10mm |
|
|
|
270931 |
1 |
Thrust washer kit |
O.S=0,20mm |
|
|
|
270932 |
1 |
Thrust washer kit |
O.S=0,30mm |
|
|
25 |
1543444 |
1 |
Gear |
|
|
|
26 |
3825678 |
1 |
Flywheel |
SN-2160048210 |
|
|
|
889617 |
1 |
Flywheel |
SN2160048211- |
|
|
27 |
8193939 |
1 |
Gear ring |
|
|
|
28 |
849912 |
14 |
Screw |
|
|
|
|
1677893 |
14 |
Screw |
|
|
|
29 |
1543563 |
14 |
Washer |
|
|
|
30 |
848851 |
1 |
Hub |
|
|
|
31 |
945512 |
1 |
O-ring |
|
|
|
32 |
1543834 |
2 |
Vibration damper |
|
|
|
33 |
422124 |
1 |
Washer |
|
|
|
34 |
862504 |
1 |
Screw |
|
|
|
35 |
3825893 |
1 |
V-belt pulley |
3 GROOVE. Earlier production of 6 ea of screw is replaced by 12 ea screw. |
|
|
36 37 38 39
40 41 |
3829683 973253 4956010 955974
3825885 3825886 |
1 Wear ring 12 Screw Earlier production of 6 ea of screw is replaced by 12 ea screw. 12 Washer Earlier production of 6 ea of screw is replaced by 12 ea screw. 12 O-ring Earlier production of 6 ea of screw is replaced by 12 ea screw.
1 Hub 2 Gasket Earlier production of 6 ea of screw is replaced by 12 ea screw. |
|||